电子元器件整合供应商

解决方案

作为致力成为最具价值的电子元器件整合供应商,南京南宫拥有能为客户提供全套电子元器件的强大整合能力。公司拥有专门技术团队,建有电子元器件例行试验室,能为客户提供全方位的技术咨询、器件选型、样品提供、器件检测等增值服务。

车规信号链芯片ETQ74LVCH8T245

发布时间:2024-08-03 品牌:力芯微(ETEK) 浏览量:1352

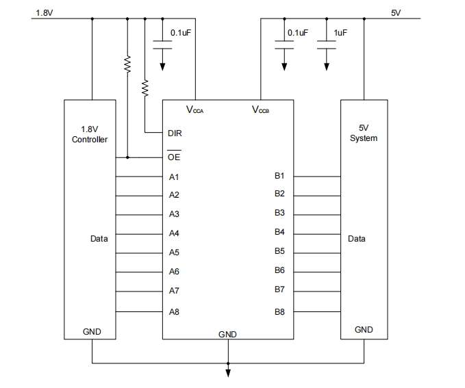
ETQ74LVCH8T245是一款8位同相总线收发器,使用两个独立的可配置电源轨。该器件设计用于两条数据总线之间的异步通信。 方向控制(DIR)输入和输出使能(OE)输入的逻辑电平激活B端口输出和A端口输出,或将两个输出端口置于高阻抗状态。控制引脚(DIR和OE)以VCCA为基准。

ETQ74LVCH8T245采用小型TSSOP24和QFN24封装,工作环境温度范围为-40°C至+105°C

特性

  • 控制输入(DIR和OE)VIH和VIL电平以VCCA为基准
  • 总线保持数据输入免除了增设外部上拉和下拉电阻器的需要
  • VCC隔离
  • 完全可配置的双轨设计
  • Ioff支持部分断电模式操作
  • 符合汽车AEC-Q1002级标准
    • --环境温度范围:-40°C至+105°C
    • --静电防震人体模型HBM6KV
    • --ESDCDM1KV
    • --MSL1
芯片型号 封装 尺寸
ETQ74LVCH8T245V TSSOP24 4.4mm x7.8mm
ETQ74LVCH8T245Y VQFN24 3.5mm x5.5mm

引脚配置

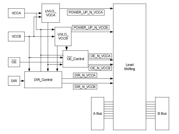
方框图

应用电路